|
Volkswagen Super Beetle, Beetle & Karmann Ghia (Type 1)
Service Manual: 1970, 1971, 1972, 1973, 1974, 1975, 1976, 1977, 1978, 1979
Price: $89.95
|
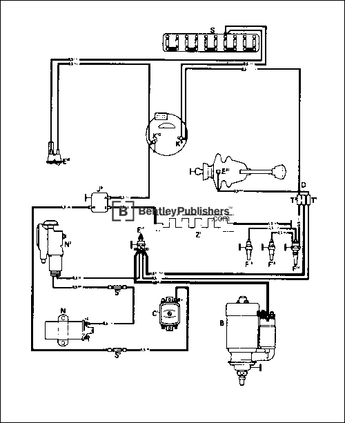
Find and repair electrical system problems with detailed wiring diagrams for Type 1 models.
Electrical System diagram B
![[B] Bentley Publishers](http://assets1.bentleypublishers.com/images/bentley-logos/bp-banner-234x60-bookblue.jpg)
