Home Jeep Repair Jeep CJ Rebuilder»s Manual: 72-86
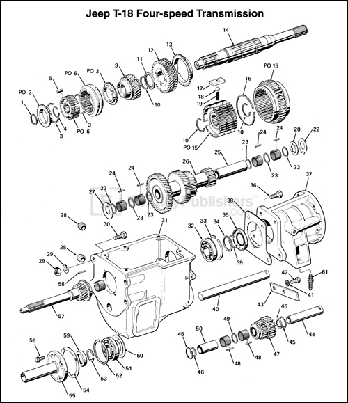
Jeep T-18 Four Speed Transmission

Some CJ owners are fortunate enough to have the factory T-18 transmission or a retrofitted T-18 four-speed transmission in their Jeep. Due to the overwhelming stamina of this transmission in a lightweight CJ, rebuilding the unit is a rare need. Many builders, however, retrofit recycled (used) T-18 units into the CJ chassis, and most recycled or high mileage transmissions need attention.

Chapter 3: Transmission and Clutch - T-18 Four Speed Rebuild