Home BMW Repair BMW 3 Series (E36): 1992-98 Manual
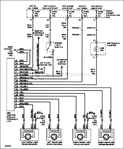
E36 wiring diagram

Electrical wiring diagrams for the E36 platform models covered in this manual

Electrical Wiring Diagrams